Everything from a single source from the one-stop solution for pool technology

As the only manufacturer, we offer the entire pool technology from a single source. From built-in fittings and water tanks to pumps, filtration and disinfection systems, measurement and control technology, lighting, and attractions – Ospa provides everything you need. You’ll also benefit from comprehensive services, all managed by a dedicated contact person for your entire project.

Consultation

Our service begins long before any construction measures are taken. What usage concept is planned or already in place? Is it a renovation or a new construction? What specific wishes, requirements, and specifications do you have? These questions, along with legal guidelines such as compliance with DIN 19643 and others, are clarified in the first phase and during an on-site inspection together with your Ospa specialist advisor. During this process, you will gain an initial insight into Ospa services and the Ospa product world.

Planning

In the planning phase, your ideas are linked with products and specific implementation options. Together with your Ospa specialist advisor, architects, and planners, you will discuss solutions and all the necessary structural planning for the swimming hall, pool, and technology. The required technology is discussed, as well as lighting and attractions for the guests, in short: your idea takes its first step towards becoming a real project. At the end of this phase, you will, of course, receive an individual offer with all components and the expected costs.

Project development

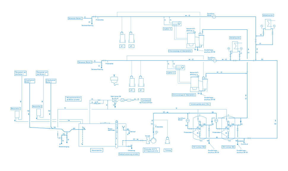
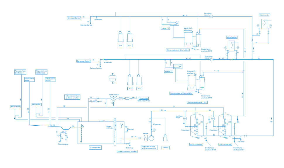
Once the order has been placed, the Ospa planning department, together with the appointed planners and architects, develops the optimal solution for your swimming pool. All guidelines, regulations, and standards, as well as all necessary hydraulic conditions, are of course taken into account. As a result, you will receive plans for pool hydraulics, water attractions, and lighting, as well as equipment layout plans and plumbing and electrical installation plans. This ensures a successful installation of the system.

Construction site consultation

Your project is now being realized in collaboration with all involved companies. Your Ospa consultant assumes a guiding role, ensuring a smooth installation. Whether it’s the precise positioning of connections or the placement of pool components, your Ospa consultant oversees the process. They provide guidance to installers based on the created plans, such as instructing the electrician on connecting the Ospa system.

Commissioning

All necessary construction measures for the realization of the project are complete. Once your Ospa consultant has checked all the prerequisites for commissioning, the system components are put into operation together with the Ospa factory customer service and the system builder. Naturally, even after commissioning, the Ospa customer service technician is available for maintenance and upkeep of your system. For added operational security, Ospa offers its customers maintenance contracts with fixed maintenance intervals.

Customer service

For over 90 years, customer service has been a top priority for Ospa. After completion and commissioning, Ospa factory customer service takes over the care and regular maintenance of your system, enhancing its operational reliability and lifespan while reducing the need for water treatment products.

Our service network in Germany includes over 35 highly trained and dedicated Ospa customer service technicians. You will be directly supported by your personal Ospa customer service technician, who has access to their own spare parts inventory (with original Ospa replacement parts) and Ospa water treatment products. This means qualified service without long wait times for you. After all, the name Ospa stands for not only noticeably better water but also excellent service.

Quickly find what you’re looking for!